高スループット光学系と低ノイズ信号処理系により、FP-8550 ではクラス最高レベルのS/N = 350(Peak to Peak)、1400(RMS) 以上を達成しています。フルオレセインの検量線からは極低濃度範囲でも高い直線性を示すことが分かります。FP-8550 ではダイナミックレンジ7桁を実現しました。
励起光と蛍光の高次光をカットするためには測定波長に適したフィルターが必要です。FP-8350/8550/8650/8750 は、設定された波長に応じて、フィルターが自動的にセットされ、高次光の影響を排除したスペクトルが得られます。
正確なスペクトル測定を行うためには、スペクトル補正が必要です。FP-8050 シリーズでは、測定したスペクトルに対応した補正データを、簡単な条件設定で作成することができます。補正のための治具も各種ご用意しています。
検出感度を自動で調整するオートゲイン・オートSCS 機能を備えています。オートゲインでは、スペクトル測定時に自動的にゲインを調整することで、全波長域で高S/N を実現します。散乱光と比較して強度が弱い蛍光ピークの形状も高S/N で観察できます。オートSCS では、検出器の感度を自動設定することで、低濃度から高濃度までの広い濃度範囲で条件を変えずに測定できます。
アイコンを左から順にクリックするだけで一連の測定が完了します。次の操作がすぐにわかるため、スムーズに測定ができるようになりました。
付属品を本体に装着すると付属品情報が読込まれ、付属品装着時に測定プログラムを自動的に起動することもできます。また、付属品の情報は自動的に測定データに添付されます。
測光値振り切れログ
測光値が上限値を超えたデータに、その情報がログとして残ります。
蛍光極大サーチ
最適な励起・蛍光波長を自動で検出します。
簡易な測定条件設定
必要最小限の測定条件を入力することで、測定が行えます。(ベーシックモード)
自動シャッター開閉機能
シャッターを自動で開閉し、励起光の照射を測定時に限定することで、試料の光劣化を防ぎます。
自動オートゼロ取得
測定時にオートゼロを自動で実行することにより、確実に正確なデータが取得できます。
バリデーションプログラム
各種バリデーション試験を行うことができます。表示される内容に従って操作すれば、誰でも簡単に試験を行うことができます。Xe ランプとは別に、波長校正用ランプを内蔵しています。
対応規格:JIS、JAIMAS
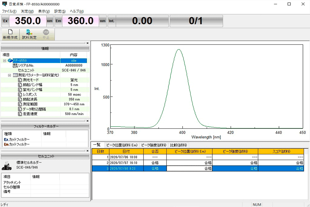
日常点検プログラム
日常的に装置コンディションを確認することができます。プログラム起動と同時にタイマー機能が立ち上がり、設定時間が経過すると、自動で日常点検用試料の測定を実行します。過去に測定した結果は時系列で確認でき、日々のデータの信頼性を維持します。
共通機器室等で運用されている使用記録ノートのように使用できます。複数ユーザーの利用状況や、光源の使用時間などが確認できます。
FP-8050 シリーズのために新規開発されたXe ランプは、最大使用時間 3000 時間の長寿命化を実現しました。長期間安定した測定が可能となり、更に、ランプ交換の頻度が減ることで、ランニングコストやメンテナンス作業が軽減できます。
※ランプの寿命は、使い方や使用環境によって変化します。
